Опубликовал Titov Mihail Dm
в группе Садовая техника, инвентарь и инструменты
Самодельный игольчатый культиватор "Ёжик".
Назначение:
Основное назначение культиватора - неглубокое рыхление почвы при создании грядок. Также его можно использовать для разрушения затвердевшего после дождя или полива слоя почвы, для мульчирования при внесении удобрений, а также в «режиме» мини-граблей.
Конструкция:
Общий вид культиватора изображён на Рис.1. Основой конструкции является закреплённый в скобе вращающийся валик с установленными на нём иглами (саморезы, гвозди, и т. п.). К скобе крепится древко (или рукоятка), на котором закрепляется стопорная пластина. Все детали культиватора могут быть изготовлены из подручных материалов.
Принцип работы:
При прокатывании валика по почве вперёд и назад иглы внедряются в почву и выходят из неё, оказывая разрыхляющее действие.
Один из вариантов изготовления культиватора.
(!) При сборке культиватора, пожалуйста, соблюдайте технику безопасности при работе с острыми деталями. Во избежание травм работайте в перчатках, используйте ровную устойчивую поверхность для удержания заготовок.
Валик.
В рассматриваемой модели, для валика выбран деревянный брусок сечением 40х40 мм и длиной 290 мм, а в качестве игл выбраны гвозди диаметром 4 мм длиной 90 мм.
Как вариант, разумным представляется использование бруска сечением от 30х30 мм до 50х50 мм. Длина бруска выбирается из соображений удобства использования на вашем участке и может варьироваться от 200 до 500 мм. В качестве игл можно использовать шурупы или саморезы. Длина игл должна быть по крайней мере на 40-50 мм больше, чем сечение бруска.
Валик может быть изготовлен из отрезка трубы - пластиковой или тонкостенной алюминиевой и т. п. В этом случае нужно позаботиться о том, чтобы заглушить открытые торцы трубы с помощью деревянных пробок.
Изготовление валика из бруска:
1. В боковых поверхностях бруска (на рисунке это верхняя, нижняя, передняя и задняя поверхности) просверлите по два ряда сквозных отверстий диаметром 3мм. под установку игл. Размеры и расположение отверстий приведены на Рис.2.
2. По центру торцевых граней бруска просверлите отверстия диаметром 2-2.5 мм глубиной 20 мм для вкручивания саморезов, которые будут соединять брусок со скобой.
3. В отверстия боковых поверхностей забейте гвозди (или вкрутите саморезы) таким образом, чтобы в параллельных рядах острые концы гвоздей были направлены в противоположные стороны, как изображено на Рис.3.
Скоба.
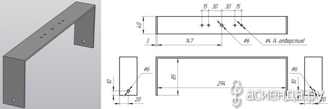
В рассматриваемой модели скоба изготовлена из металлической планки толщиной 3 мм, шириной 40 мм и длиной 470 мм. Габаритные и установочные размеры даны на Рис.4.
В качестве заготовки можно использовать планку для крепления ковровых покрытий. Ширина планки должна быть не менее диаметра древка для большей устойчивости конструкции (40 мм в данном случае). Длина планки рассчитывается с учётом величины игл и длины валика, чтобы обеспечить его вращение.
Планку необходимо согнуть в «п»-образную скобу и просверлить отверстия в соответствии с Рис.4. Сверление отверстий после сгибания даст возможность внести коррекцию в расположении отверстий, если была допущена неточность при сгибании.
Уголки и стопорная планка.
В конструкции используются металлические уголки, размеры которых изображены на Рис.5. Однако, можно использовать любые имеющиеся уголки, близкие по размеру. В этом случае отверстия на скобе должны соответствовать вашему варианту уголков. Нужно лишь учесть, что боковые поверхности уголков должны располагаться вплотную к древку.
Стопорная планка изготавливается из металлической пластины. Размеры планки изображены на Рис.6.
Сборка культиватора:
1. Не забывайте о технике безопасности.
2. Прикрепите к скобе уголки, как изображено на Рис.7. Используйте винты с гайками.
3. Прикрепите к скобе торец древка саморезом через центральное отверстие (Рис.8.)
4. Скрепите саморезами уголки с древком. Как вариант, можно просверлить сквозное отверстие в древке и прикрепить его к уголкам сквозным винтом с гайкой.
5. Прикрепите саморезами валик к скобе, установив по две шайбы на каждый саморез. Шайбы располагаются с обеих сторон каждого ушка скобы. Оставьте небольшой люфт для свободного вращения валика (Рис.9, 10). Смажьте места трения и проверьте на лёгкость вращения валика.
6. Прикрепите саморезом стопорную планку к древку, как показано на Рис.11. Отверстие в древке под планку целесообразно размечать "по месту". Положение "культиватор" - крючок располагается сверху. Положение "грабли" - крючок зацепляется за иглу, предотвращая вращение валика.
Культиватор готов, можно приступать к работе! Глубина рыхления будет зависеть от прижимного давления на валик со стороны древка (рукоятки).
Желаю всем удачи и хорошего урожая в новом сезоне!
Основное назначение культиватора - неглубокое рыхление почвы при создании грядок. Также его можно использовать для разрушения затвердевшего после дождя или полива слоя почвы, для мульчирования при внесении удобрений, а также в «режиме» мини-граблей.
Конструкция:
Общий вид культиватора изображён на Рис.1. Основой конструкции является закреплённый в скобе вращающийся валик с установленными на нём иглами (саморезы, гвозди, и т. п.). К скобе крепится древко (или рукоятка), на котором закрепляется стопорная пластина. Все детали культиватора могут быть изготовлены из подручных материалов.
Принцип работы:
При прокатывании валика по почве вперёд и назад иглы внедряются в почву и выходят из неё, оказывая разрыхляющее действие.
Один из вариантов изготовления культиватора.
(!) При сборке культиватора, пожалуйста, соблюдайте технику безопасности при работе с острыми деталями. Во избежание травм работайте в перчатках, используйте ровную устойчивую поверхность для удержания заготовок.
Валик.
В рассматриваемой модели, для валика выбран деревянный брусок сечением 40х40 мм и длиной 290 мм, а в качестве игл выбраны гвозди диаметром 4 мм длиной 90 мм.
Как вариант, разумным представляется использование бруска сечением от 30х30 мм до 50х50 мм. Длина бруска выбирается из соображений удобства использования на вашем участке и может варьироваться от 200 до 500 мм. В качестве игл можно использовать шурупы или саморезы. Длина игл должна быть по крайней мере на 40-50 мм больше, чем сечение бруска.
Валик может быть изготовлен из отрезка трубы - пластиковой или тонкостенной алюминиевой и т. п. В этом случае нужно позаботиться о том, чтобы заглушить открытые торцы трубы с помощью деревянных пробок.
Изготовление валика из бруска:
2. По центру торцевых граней бруска просверлите отверстия диаметром 2-2.5 мм глубиной 20 мм для вкручивания саморезов, которые будут соединять брусок со скобой.
3. В отверстия боковых поверхностей забейте гвозди (или вкрутите саморезы) таким образом, чтобы в параллельных рядах острые концы гвоздей были направлены в противоположные стороны, как изображено на Рис.3.
Скоба.
В рассматриваемой модели скоба изготовлена из металлической планки толщиной 3 мм, шириной 40 мм и длиной 470 мм. Габаритные и установочные размеры даны на Рис.4.
В качестве заготовки можно использовать планку для крепления ковровых покрытий. Ширина планки должна быть не менее диаметра древка для большей устойчивости конструкции (40 мм в данном случае). Длина планки рассчитывается с учётом величины игл и длины валика, чтобы обеспечить его вращение.
Планку необходимо согнуть в «п»-образную скобу и просверлить отверстия в соответствии с Рис.4. Сверление отверстий после сгибания даст возможность внести коррекцию в расположении отверстий, если была допущена неточность при сгибании.
Уголки и стопорная планка.
В конструкции используются металлические уголки, размеры которых изображены на Рис.5. Однако, можно использовать любые имеющиеся уголки, близкие по размеру. В этом случае отверстия на скобе должны соответствовать вашему варианту уголков. Нужно лишь учесть, что боковые поверхности уголков должны располагаться вплотную к древку.
Стопорная планка изготавливается из металлической пластины. Размеры планки изображены на Рис.6.
Сборка культиватора:
1. Не забывайте о технике безопасности.
2. Прикрепите к скобе уголки, как изображено на Рис.7. Используйте винты с гайками.
3. Прикрепите к скобе торец древка саморезом через центральное отверстие (Рис.8.)
4. Скрепите саморезами уголки с древком. Как вариант, можно просверлить сквозное отверстие в древке и прикрепить его к уголкам сквозным винтом с гайкой.
5. Прикрепите саморезами валик к скобе, установив по две шайбы на каждый саморез. Шайбы располагаются с обеих сторон каждого ушка скобы. Оставьте небольшой люфт для свободного вращения валика (Рис.9, 10). Смажьте места трения и проверьте на лёгкость вращения валика.
6. Прикрепите саморезом стопорную планку к древку, как показано на Рис.11. Отверстие в древке под планку целесообразно размечать "по месту". Положение "культиватор" - крючок располагается сверху. Положение "грабли" - крючок зацепляется за иглу, предотвращая вращение валика.
Культиватор готов, можно приступать к работе! Глубина рыхления будет зависеть от прижимного давления на валик со стороны древка (рукоятки).
Желаю всем удачи и хорошего урожая в новом сезоне!
|
Последние читатели: |



Комментарии:
Написать комментарийПоложительным считаю возможность изготовления подобного приспособления самим и то, что земля не так будет прилипать к острым зубьям при обработке.
Однако, те же острые зубья делают невозможным обработку земли в междурядьях, т.к. велика вероятность повреждения этими зубьями растений.
А по очень тяжелым глинистым почвам пойдет такой ежик/? Если учесть, что сил сильно прижимать к земле уже нет..
Однозначно, подсохшую после дождя землю (без сорняков), рыхлит на раз-два.
Уже много-много лет (больше 20) у меня рыхлитель - плоскорез Фокина. Без него в огород не выхожу